EN CNEN
Express  Series Servo Motor


l Rated power range:7.9kw~337.2KW

l Rated torque range : 150Nm~2200Nm

lPeak torque range : 150Nm~3500Nm


Features
High power density
Provide GB30549, Level 1 energy efficiency and IEC60034, IE4 solutions.
Small size
The use of new embedded electromagnetic and structural solutions, faster response, higher speed, so that the motor structure is compact and simple, easy to install.
Strong overload capacity
with Physis PH300 series dedicated servo driver, so that the motor overload capacity is stronger.
Specifications
  • E018--F
    E018--F
  • E018--C
    E018--C
  • E018--C
    E018--C
  • 电源
    电源
  • 电源
    电源
  • 电机接线
    电机接线
  • E010--F
    E010--F
  • E010--C
    E010--C
  • E010--F
    E010--F
  • E010--C
    E010--C
  • Express Series  Servo Motor
    Express Series Servo Motor
  • E012--F
    E012--F
  • E012--F
    E012--F
  • E013--F
    E013--F
  • E013--F
    E013--F
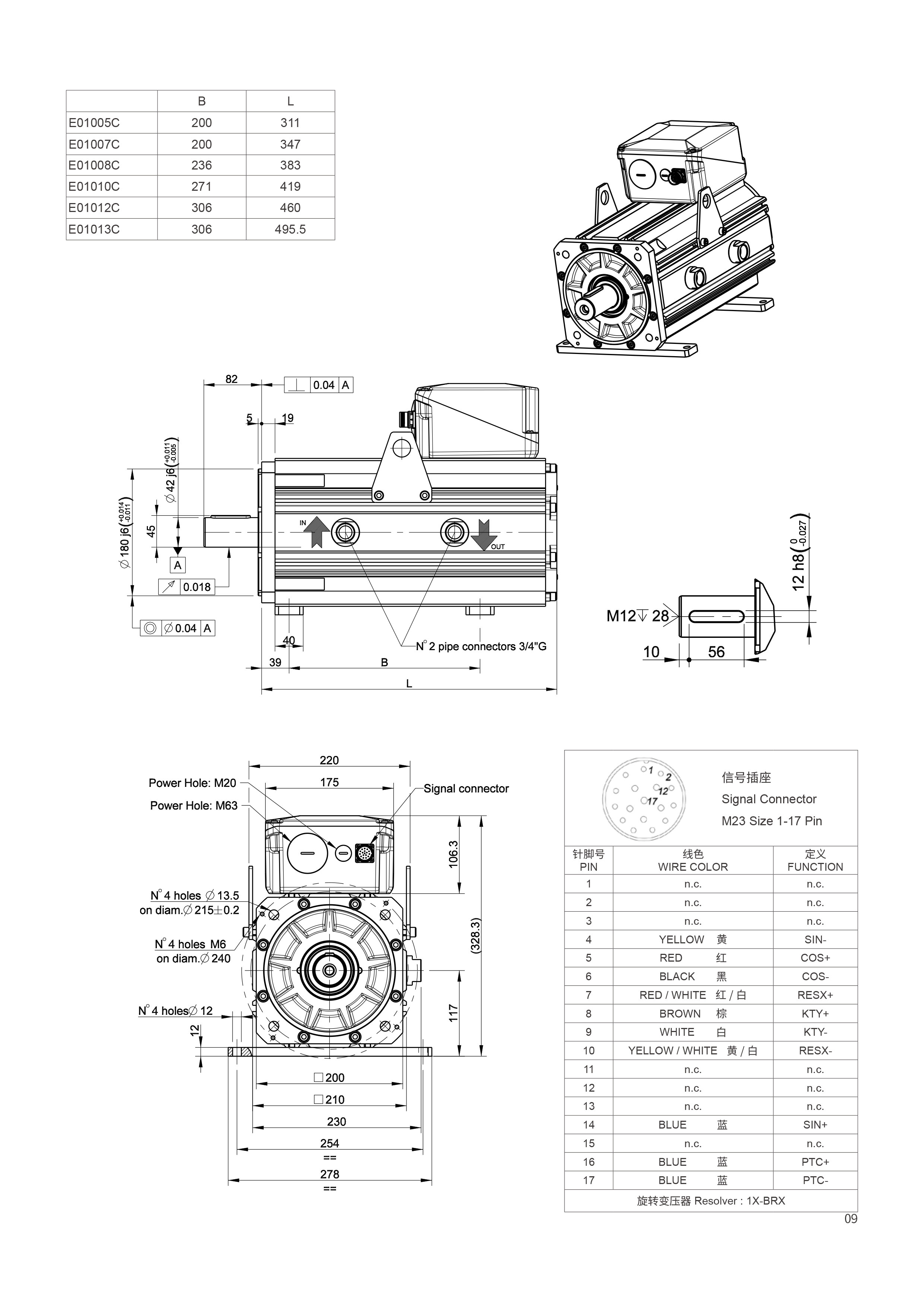
  • E013--C
    E013--C
  • E013--C
    E013--C
  • E018--F
    E018--F
Advisory Message
Please fill out the form, our sales engineer will contact you shortly
*
*
*
*
*
*
*
*
*
Headquarters Sales & Marketing
WeChat